Instrumentation Design

Clear signals. Better control. Fewer surprises in the field.

At Aztec Engineering, we design instrumentation systems that help your team see what’s happening inside your facility in real time. From pressure and flow to automation and remote monitoring, we build control frameworks that turn measurements into confident operational decisions.

What You Get

How We Work

We stay involved from early planning through installation, so your system performs in the real world, not just on drawings.

Plan

Design

Connect

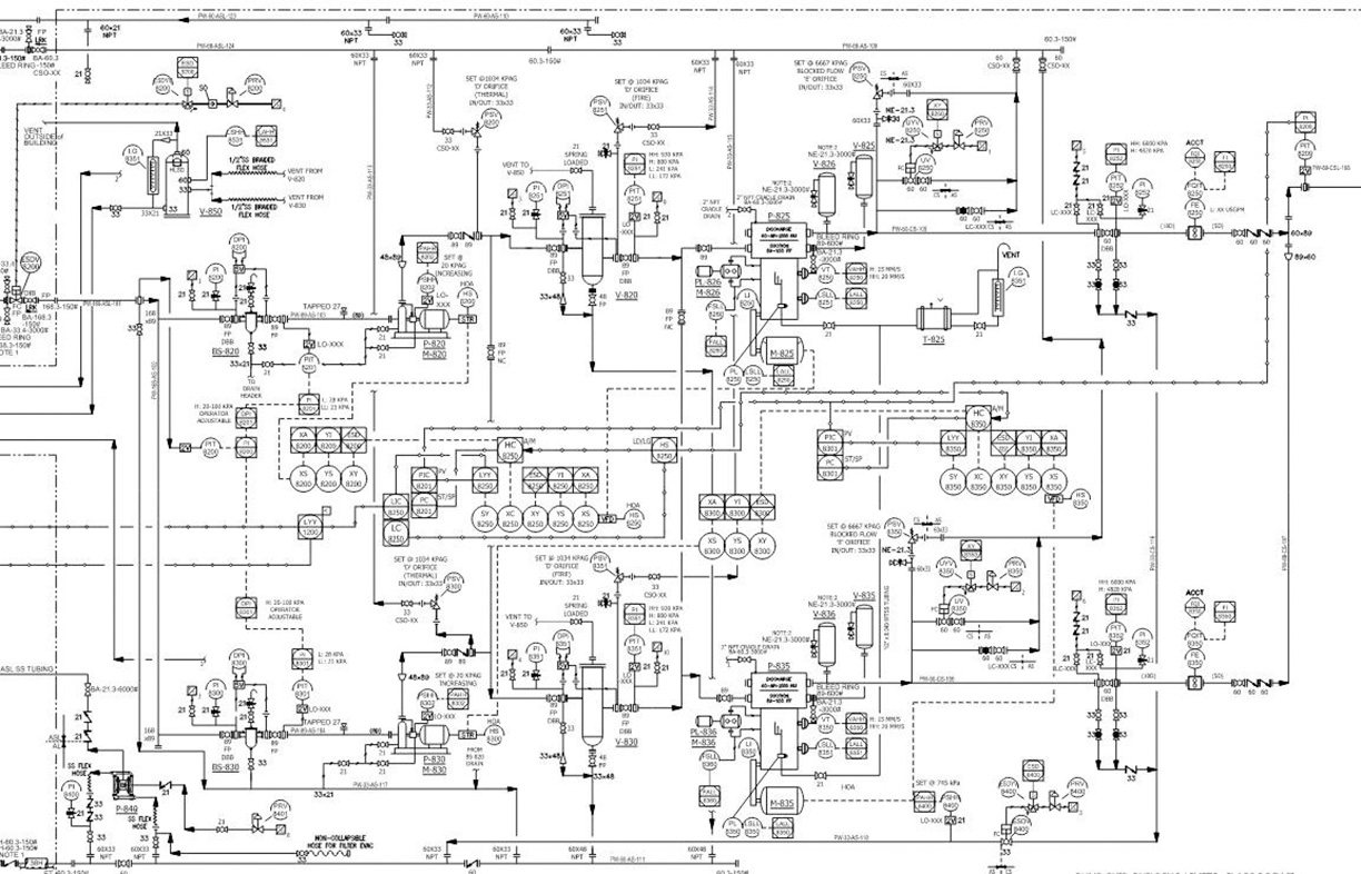
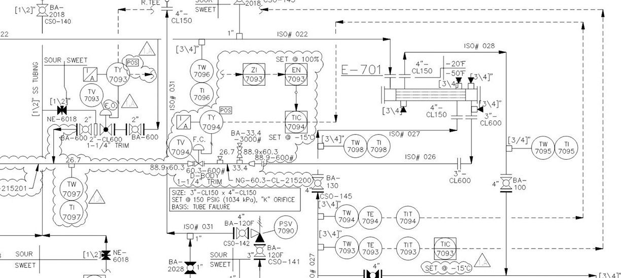
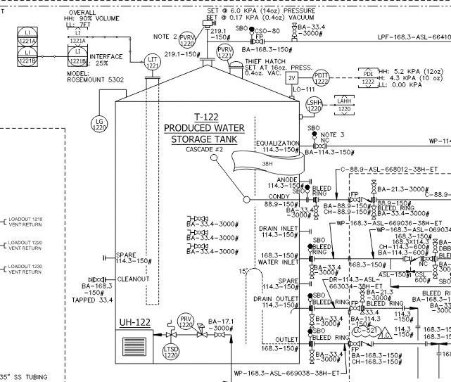
Take a Look at Some of Our Designs

Let’s Build a Smarter Control System

If you’re planning a new facility or upgrading an existing one, we can help you design an instrumentation system that supports performance today and flexibility tomorrow.